浙江存简流体科技有限公司
PFA焊接异径三通 WTRA

PFA焊接异径三通 WTRA

  • RAYSAN PFA三通接头 UTA

    RAYSAN PFA三通接头 UTA

    特性:专业应用于高纯度的半导体行业,也适合于超纯水或腐蚀性化学物质,在-40℃至200℃之间可维持良好的尺寸稳定性和耐腐...

  • 料桶插底管接头套件 DCA/DCC

    料桶插底管接头套件 DCA/DCC

    料桶插底管接头套件由料桶插底接头、管子和运输塞组成,是一种可以配合分配接头(抽液枪头、分配枪头),实现安全高效地从料桶中...

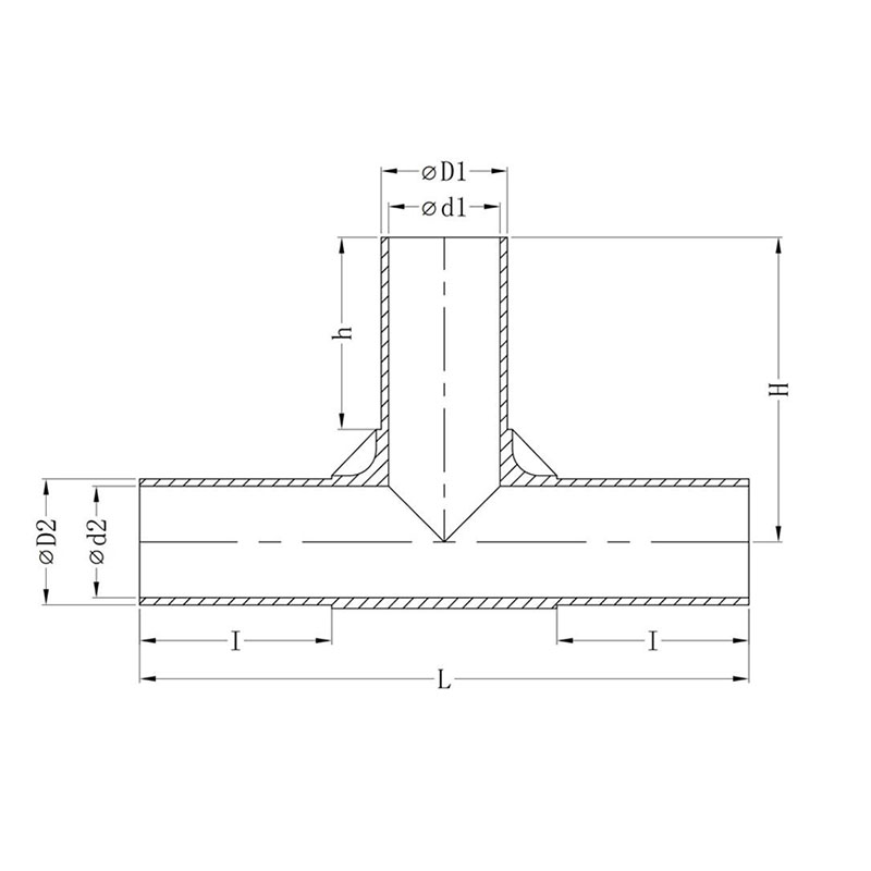
PFA焊接异径三通 WTRA

PFA焊接管接头,通过热熔对接,接头与管子的端面直接对焊连接,实现完全密封,无需加固和担心漏液问题,非常适用于半导体制造流程中无泄漏、超洁净、高空间利用的高标准。
特点:
1.焊接的一体性,保证了高耐热性,不会因热循环而发生连接处松弛、泄漏。
2.接头重量更轻、外形更紧凑,可以大幅缩小配管空间。
3.焊接部位连接更平滑,减少卫生死角
温度范围:-60℃~200℃

编码 口径 A B C D T1/T3 T2
(inch) (mm) (mm) (mm) (mm) (mm) (mm)
WTRA060406 3/8"*1/4"*3/8 63.0 25.0 20.0 26.5 9.52*6.35 6.35*4.35
WTRA080408 1/2"*1/4"*1/2 68.0 25.0 20.0 29.0 12.7*9.52 6.35*4.35
WTRA080608 1/2"*3/8"*1/2" 68.0 25.0 25.0 34.0 12.7*9.52 9.52*6.35
WTRA120412 3/4"*1/4"*3/4" 89.0 30.0 20.0 34.5 19.05*15.88 6.35*4.35
WTRA120612 3/4"*3/8"*3/4" 89.0 30.0 25.0 39.5 19.05*15.88 9.52*6.35
WTRA120812 3/4"*1/2"*3/4" 89.0 30.0 25.0 39.5 19.05*15.88 12.7*9.52
WTRA160416 1"*1/4"*1" 106.0 36.0 20.0 38.0 25.4*22.2 6.35*4.35
WTRA160616 1"*3/8"*1 106.0 36.0 25.0 43.0 25.4*22.2 9.52*6.35
WTRA160816 1"*1/2"*1" 106.0 36.0 25.0 43.0 25.4*22.2 12.7*9.52
WTRA161216 1"*3/4"*1 106.0 36.0 30.0 47.0 25.4*22.2 19.05*15.88
WTRA200820 1.25"*1/2"*1.25" 156.0 49.0 25.0 55.0 31.8*28 12.7*9.52
WTRA201220 1.25"*3/4"*1.25" 156.0 49.0 30.0 59.0 31.8*28 19.05*15.88
WTRA201620 1.25"*1"*1.25" 156.0 49.0 36.0 65.0 31.8*28 25.4*22.2
WTRA241624 1.5"*1"*1.5" 183.0 57.5 36.0 69.5 38.1*33.7 25.4*22.2
WTRA242024 1.5"*1.25"*1.5" 183.0 57.5 45.0 78.5 38.1*33.7 31.8*28

我们24小时内会与您联系