PVDF 90°承插焊弯头 VUEB
高纯PVDF管路系统,PVDF材质具有良好的化学稳定性、洁净度、光滑度等性能,同时性价比高、易加工,在微电子、光伏、医药、化工、电力等行业,被广泛应用于超纯介质(如高纯水、超纯水、纯水、注射用水等)、高腐蚀性的化学介质(硫酸、盐酸、硝酸等)以及具有腐蚀性或污染性的气体的输送。
产品包含PVDF洁净管、PVDF对焊接头、PVDF承插接头以及PVDF活接等各类管路系统配件。

编码
工作压力PN
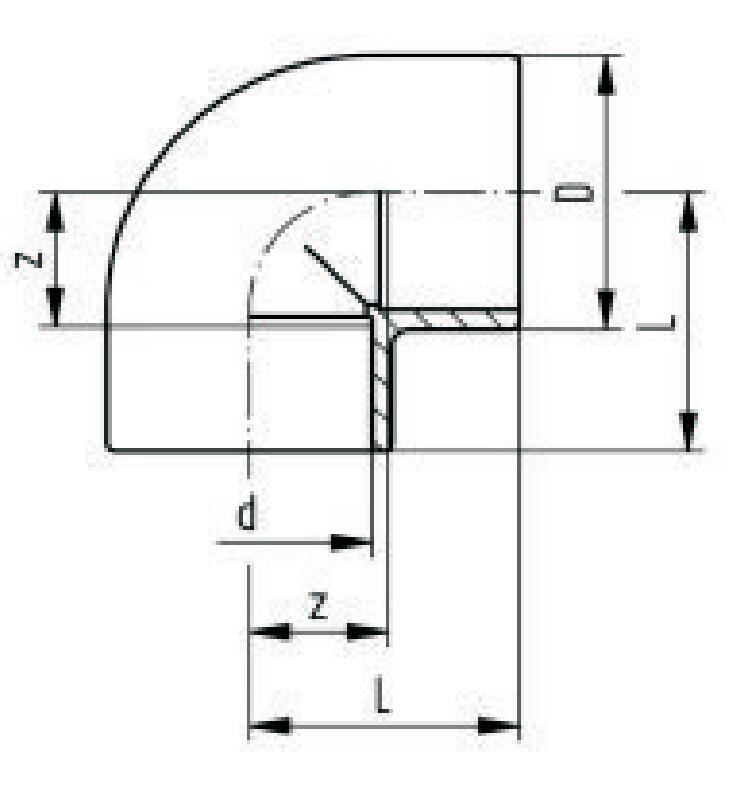
外径D
d
L
z
(bar)
(mm)
(mm)
(mm)
(mm)
VUEB002016
16
29.00
20.00
31.00
15.00
VUEB002516
16
35.00
25.00
33.00
15.00
VUEB003216
16
43.00
32.00
40.50
21.00
VUEB004016
16
52.00
40.00
46.50
25.00
VUEB005016
16
64.00
50.00
54.50
30.00
VUEB006316
16
81.00
63.00
63.00
35.00
VUEB007516
16
92.00
75.00
71.50
39.00
VUEB09016
16
113.00
90.00
86.00
50.00
VUEB011016
16
133.00
110.00
100.50
59.00
我们24小时内会与您联系
Copyright ©浙江存简流体科技有限公司 All Rights Reserved


18717905450

