浙江存简流体科技有限公司
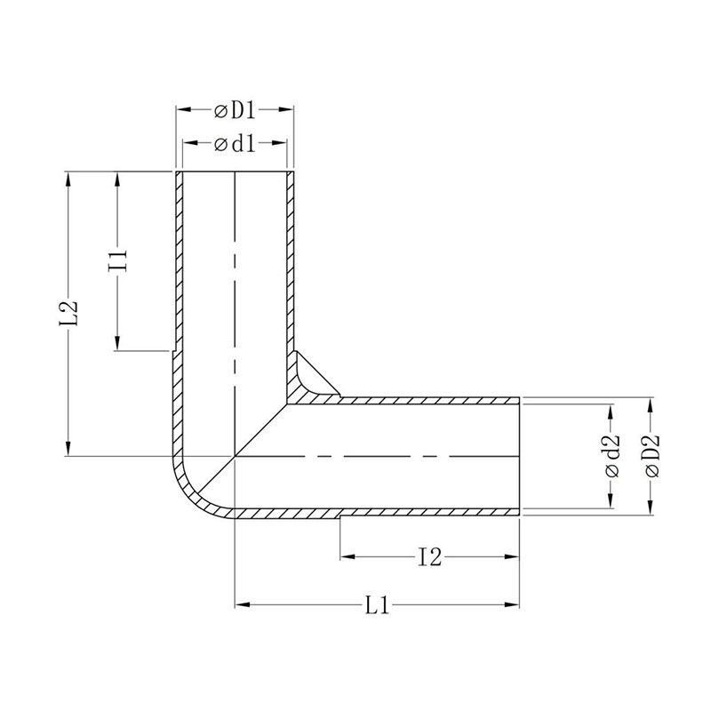
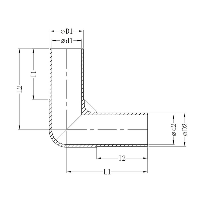
PFA焊接异径弯头 WERA

PFA焊接异径弯头 WERA

  • PVDF对焊法兰适配器 VFA

    PVDF对焊法兰适配器 VFA

    PVDF对焊法兰适配器 VFA,​高纯PVDF管路系统,PVDF材质具有良好的化学稳定性、洁净度、光滑度等性能,同时性价比高、易加...

  • PFA焊接接头

    PFA焊接接头

    PFA焊接管接头,通过热熔对接,接头与管子的端面直接对焊连接,实现完全密封,无需加固和担心漏液问题,非常适用于半导体制造流程中无...

PFA焊接异径弯头 WERA

PFA焊接管接头,通过热熔对接,接头与管子的端面直接对焊连接,实现完全密封,无需加固和担心漏液问题,非常适用于半导体制造流程中无泄漏、超洁净、高空间利用的高标准。
特点:
1.焊接的一体性,保证了高耐热性,不会因热循环而发生连接处松弛、泄漏。
2.接头重量更轻、外形更紧凑,可以大幅缩小配管空间。
3.焊接部位连接更平滑,减少卫生死角
温度范围:-60℃~200℃

编码 口径 A B C D T1 T2
(inch) (mm) (mm) (mm) (mm) (mm) (mm)
WERA0604 3/8"*1/4" 31.5 25.0 26.5 20.0 9.52*6.35 6.35*4.35
WERA0804 1/2"*1/4" 34.0 25.0 29.0 20.0 12.7*9.52 6.35*4.35
WERA0806 1/2"*3/8" 34.0 25.0 34.0 25.0 12.7*9.52 9.52*6.35
WERA1204 3/4"*1/4" 44.5 30.0 34.5 20.0 19.05*15.88 6.35*4.35
WERA1206 3/4"*3/8" 44.5 30.0 39.5 25.0 19.05*15.88 9.52*6.35
WERA1208 3/4"*1/2" 44.5 30.0 39.5 25.0 19.05*15.88 12.7*9.52
WERA1608 1"*1/2" 53.0 36.0 42.0 25.0 25.4*22.2 12.7*9.52
WERA1612 1"*3/4" 53.0 36.0 47.0 30.0 25.4*22.2 19.05*15.88
WERA2016 1.25"*1" 78.0 49.0 53.0 36.0 31.8*28 25.4*22.2
WERA2416 1.5"*1" 91.5 57.5 53.0 36.0 38.1*33.7 25.4*22.2
WERA2420 1.5*1.25" 91.5 57.5 78.0 49.0 38.1*33.7 31.8*28

我们24小时内会与您联系