PFA焊接正三通 WTA
PFA焊接管接头,通过热熔对接,接头与管子的端面直接对焊连接,实现完全密封,无需加固和担心漏液问题,非常适用于半导体制造流程中无泄漏、超洁净、高空间利用的高标准。
特点:
1.焊接的一体性,保证了高耐热性,不会因热循环而发生连接处松弛、泄漏。
2.接头重量更轻、外形更紧凑,可以大幅缩小配管空间。
3.焊接部位连接更平滑,减少卫生死角
温度范围:-60℃~200℃
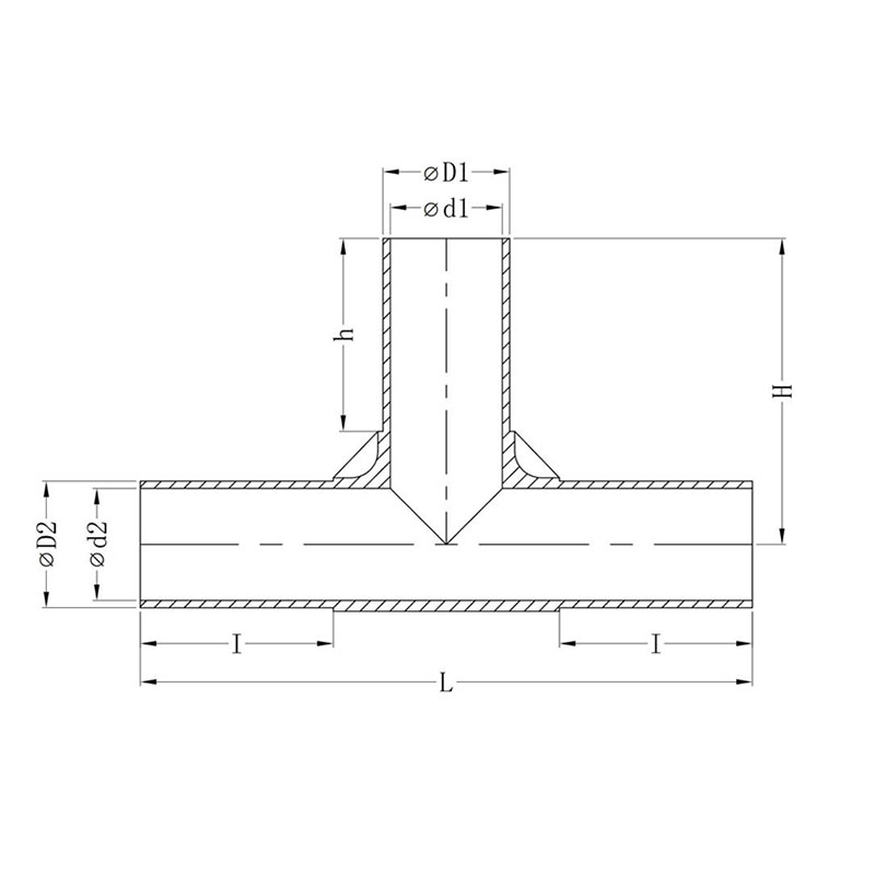
编码
口径
A
B
C
T
(inch)
(mm)
(mm)
(mm)
(mm)
WTA04
1/4"
51.0
20.0
25.5
6.35*4.35
WTA06
3/8"
63.0
25.0
31.5
9.52*6.35
WTA08
1/2"
68.0
25.0
34.0
12.7*9.52
WTA12
3/4"
89.0
30.0
44.5
19.05*15.88
WTA16
1"
106.0
36.0
53.0
25.4*22.2
WTA20
1.25"
156.0
49.0
78.0
31.8*28
WTA24
1.5"
183.0
57.5
91.5
38.1*33.7
我们24小时内会与您联系
Copyright ©浙江存简流体科技有限公司 All Rights Reserved


18717905450

